İLGİNİZİ ÇEKEBİLİR
19.424,39 + KDV
4.158,88 + KDV
11.253,43 + KDV
145.805,28 + KDV
Kategori
Stok Kodu
1913A
Garanti Süresi
12 Ay
Fiyat
190,29 EUR + KDV
*11.760,69 TL den başlayan taksitlerle!
Lütfen ürünü satın almadan önce stok teyidi yapınız.
Mitutoyo Komparatör Saati | 1913A
Mitutoyo 1913A Komparatör Saati, menşeisi Japonya olan, kaliteli malzeme kullanılmış, yapısıyla dayanıklı, 10 mm ölçüm aralığında ölçüm yapmanızı sağlayan uzun ömürlü bir ölçüm cihazıdır. Alanın sınırlı olduğu uygulamalarda kullanım için idealdir.

Mitutoyo Komparatör Saati | 1913A Özellikleri
- Kompakt Tip, Ekstra Küçük Çaplı - Metrik
- Bu, Ø 31 / 36 mm çerçeveli kompakt, ibreli bir göstergedir. Size aşağıdaki avantajları sunar:
- Alanın sınırlı olduğu uygulamalarda kullanım için idealdir.
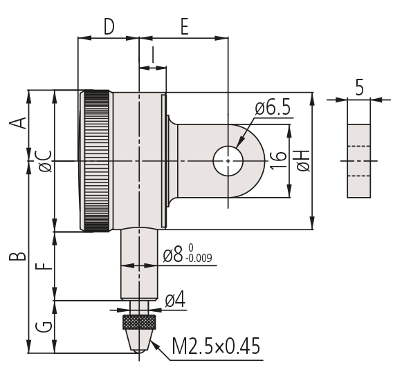
| A: |
15.5 mm
|
| B: |
39.4 mm
|
| C: |
31 mm
|
| D: |
13.2 mm
|
| E: |
19.4 mm
|
| F: |
15.1 mm
|
| G: |
8.9 mm
|
| H: |
30 mm
|
| I: |
6 mm
|
Mitutoyo Komparatör Saati | 1913A Teknik Özellikler
| Dijital/Analog: |
Analog
|
| İnç-Metrik: |
Metrik
|
| Ölçüm Aralığı: |
0,5 mm
|
| Devir başına aralık : |
0,2 mm
|
| Hassasiyet: |
0,002 mm
|
| Ölçüm kuvveti: |
0,3-1,8 N
|
| MPE herhangi bir 1/10 devir: |
2,5 mikron
|
| MPE herhangi bir 1/2 devir: |
4,5 mikron
|
| MPE herhangi 1 devir: |
5 mikron
|
| MPE ölçüm aralığı: |
6 mikron
|
| H MPE (Histerezis): |
2,5 mikron
|
| R MPE (Tekrarlanabilirlik): |
1 mikron
|
| Kök: |
8 mm
|
| Temas Noktası: |
Karbür uçlu, diş: M 2,5 x 0,45 mm
|
| Teslim edilmiş: |
Muayene sertifikası ile
|
| Dengeli kadran: |
Evet
|
| Ağırlık: |
55 gr
|
Mitutoyo Komparatör Saati | 1913A Fotoğrafları

